Description
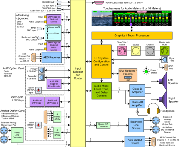
The iVAM-SUM Series is a set of well featured, easy to use and competitively priced IP ready audio and video monitors / mixers available in either 8 or 16 channel configurations. The unit has virtual rotary dials to show and adjust trim levels and can be configured to operate in either single channel or pair mode.
Flexible. Adaptable. Future Proof.
Standard features include 3G-SDI and a pair of Analog inputs and outputs. Upgrade/license other signal formats and processing options, as and when needed, either initially or after purchase. Options for additional signals, include DanteTM or RavennaTM (with hitless 2022-7 support), SMPTE-2110, SMPTE-2022-7, AES3, and MADI.
Network Capable with Remote access options:
The unit includes built-in support for remote monitoring provided by our MAVRIC software applications suite. All iAM Series monitors contain an onboard web server. Multiple units on the same network can be updated, monitored, and controlled via a web-based user interface.
















